一、用途
数显式推拉力计类是一种小型简便多功能高精度的推力、拉力测试仪器,广泛应用于电子电器、建筑五金、轻工纺织、汽车配件、打火机等点火装置、消防器材、制笔、制锁、渔具、化工、动力机械、科研机构等行业的推拉负荷、插拔力测试、破坏性试验等。数字显示分辨率高,采样速度高,使用方便,为新一代高效高精度的推拉力测试仪器。
二、功能特点
1、高精度高分辨率。
2、七种测试模式、三种显示方式可供选择(最大程度提高测试效率)。
3、N(牛顿)、kg(公斤)、lb(磅)三种计测单位可供选择、相互换算。
4、重力加速度设置功能:用户可自行输入使用地的重力加速度精确值。使测试及单位换算更为精确。
5、峰值保持功能,保持峰值显示直至手动清零。
6、自动峰值功能,可自由设定时间,从1—9999秒。
7、可设定上下限做统计分析。通过上下限设定超过限定范围可使蜂鸣器报警。
8、数据储存功能,可储存447个测试值。
9、数据输出功能,可将数据通过数据线输入电脑做各种分析。(也可适用于多台仪器同时与一台电脑进行各种分析。)
10、绿色环保,10分钟无操作自动关机,10分钟为默认情况下,可以将自动关机设置成所需的自动关机时间,自动关机设置为0时,将不会自动关机。
11、高品质充电电源。充电电压从100V至240V可用,可适应国内、国外绝大多数地区。还有短路、漏电、过载保护功能。
12、特有的开关接点通断力测试功能,使开关通断力测试更精确。
13、6位大屏幕显示。
14、低电量检测关机,在电池电量低的情况下,自动关机,防止因电量不足而导致的测量不准。
三、外形结构

传感器内置式


|
规格量程 |
尺寸/mm |
||||
|
相当于 |
D |
L |
H |
B |
|
|
50~500N |
5~50Kg |
M8 |
51 |
64 |
12.7 |
|
1K~5KN |
100~500Kg |
M12 |
51 |
76 |
19.1 |
|
10KN |
1t |
M12 |
51 |
76 |
25.4 |
|
20~50KN |
2~5t |
M20 |
76 |
108 |
25.4 |
|
100KN |
10t |
M30 |
127 |
178 |
51 |
|
200KN |
20t |
M36×3 |
140 |
188 |
60 |

S型传感器
传感器外置式

|
规格量程 |
尺寸/mm |
|||||||
|
相当于 |
ΦA |
ΦB |
ΦC |
ΦF |
MD |
H |
E |
|
|
5000N~50KN |
500Kg~5t |
105 |
88.9 |
6.5 |
32 |
M16×1.5 |
37 |
34 |
|
100、200KN |
10~20t |
125 |
101.6 |
8.5 |
39 |
M32×1.5 |
52 |
48 |
|
500KN |
50t |
145 |
116.8 |
10.5 |
50 |
M40×1.5 |
58 |
54 |
|
1000KN |
100t |
205 |
162 |
12.5 |
80 |
M60×2 |
85 |
78 |
轮辐式传感器


|
规格量程 |
尺寸/mm |
||||||
|
相当于 |
A |
H |
φB |
φ |
M |
C |
|
|
1000~5000N |
100~500Kg |
88 |
58 |
28 |
44 |
16×1.5 |
26 |
|
10~50 |
1~5t |
120 |
68 |
51 |
63 |
22 |
48 |
|
100 |
10t |
138 |
94 |
60 |
76 |
30 |
56 |
|
200 |
20t |
156 |
108 |
68.5 |
88 |
36×3 |
76 |
内螺纹柱式传感器


|
规格量程 |
尺寸/mm |
||||
|
KN |
相当于t |
A |
ΦB |
C |
M |
|
100~200 |
10~20 |
214 |
86 |
124 |
M42×4.5 |
|
500 |
50 |
276 |
106 |
156 |
M56×5.5 |
|
1000 |
100 |
380 |
142 |
180 |
M90×6 |
|
2000 |
200 |
500 |
175 |
220 |
M140×10 |
外螺纹柱式传感器
四、型号规格参数
|
型号规格 |
HF-2 |
HF-3 |
HF-5 |
HF-10 |
HF-20 |
HF-30 |
HF-50 |
HF-100 |
HF-200 |
HF-300 |
HF-500 |
HF-1000 |
|
最大负荷值 |
2N |
3N |
5N |
10N |
20N |
30N |
50N |
100N |
200N |
300N |
500N |
1000N |
|
0.2kg |
0.3kg |
0.5kg |
1kg |
2kg |
3kg |
5kg |
10kg |
20kg |
30kg |
50kg |
100kg |
|
|
0.45Lb |
0.65Lb |
1.1Lb |
2.2Lb |
4.5Lb |
6.5Lb |
11Lb |
22Lb |
45Lb |
65Lb |
110Lb |
220Lb |
|
|
负荷分度值 |
0.001N |
0.01N |
0.1N |
|||||||||
|
0.0001kg |
0.001kg |
0.01kg |
||||||||||
|
0.001Lb |
0.01Lb |
|||||||||||
|
传感器结构 |
内置式 |
内/外置式 |
||||||||||
|
精度 |
±0.5% |
±1% |
||||||||||
|
电源 |
7.2V 1.2V×6 镍氢电池组 |
|||||||||||
|
输出接口 |
RS 232 九孔插座 |
|||||||||||
|
充电时间 |
4~6小时 |
|||||||||||
|
电池连续使用时间 |
约15小时 |
|||||||||||
|
电池寿命 |
≥300次 |
|||||||||||
|
充电器 |
||||||||||||
|
工作温度 |
5℃~35℃ |
|||||||||||
|
运输温度 |
-10℃~60℃ |
|||||||||||
|
相对湿度 |
15%~80%RH |
|||||||||||
|
工作环境 |
周围无震源及腐蚀性介质 |
|||||||||||
五、屏幕显示

①、三种显示:开机后,此处无字符显示时,表示“track mode” (实时荷重测量方式),屏幕上的数值随荷重的变化而变化;按“峰值”键此处有“PEAK”显示时,表示Peak mode(峰值保持测量方式),显示屏显示峰值直至手动清零;再按“峰值”键此处有“AUTO PEAK”显示时,表示“autopeak”(峰值保持自动解除测量方式),显示峰值10秒后自动保存并清零,此峰值10秒时间可自由设定{详细请参照后面的功能介绍内的
(PE.SET)说明}。
②、有无数据存储显示:当此处无“MEM”显示时,表示无数据被保存在仪器内;当此处有“MEM”显示时,表示有数据被保存在仪器内;当在测量界面按“查看”键查看保存数据时,此处有“MEM”在闪烁。
③、推拉指示:在本机中,推力(压力)显示为负值(“-” ),拉力为正值(“+”不显示)。
④、比较功能。当通过STOP设定比较值(详细请参照后面的功能介绍内的
(STOP)机台停止值说明)时,此功能激活。“CMP”显示。使用时可根据需要另行设定。
⑤、测量力值显示。
⑥、达到上、下限值显示:当此处有“MIN”显示时,表示测量数据达到及低于下限值;当此处有“MAX”显示时,表示测量数据达到及超过上限值。
⑦、三种单位显示:N(牛)、kg(公斤)、lb(磅)三种单位分别显示,按单位键转换而成。当HF10K及以上规格时,此处显示K N(千牛)、K Kg(吨)、“K lb(千磅)”。
⑧、电量显示:电池电压降到7.0V以下时,提示电压不足,需重新充电(充电时仍可测试)。开机键上方有个电源指示灯,当插上充电器进行充电时,指示先是从红色变成绿色,这个过程重复两次,表示充电正常,之后此指示灯呈红色,当充满电后指示灯转变成绿色。若从时间不使用本仪器,以致电池电量过低时,刚插上充电器时,指示灯可能会不亮,大概半小时后,待唤醒电池后,指示灯变为红色,充电时间需4~6小时。
六、按键介绍

1、“开机” 键
按此键时,电源打开,型号会显示出来。开机后,在按“置零”键清零前,屏幕上可能会有类比信号的零点漂移数值显示,只需按“置零”键清零即可。
2、“关机”键
在开机状态下,按此键时,电源关闭,但储存的保存数据不会消失。在开机启动时(也就是显示型号且未显示测量界面0.00时),此时按关机键是无法响应的。
3、“保存”键
在峰值测量界面状态下按此键可使屏幕上显示的测试数据被储存起来;在功能设置界面状态下按此键可保存设置的参数。当机内有测试数据被储存时,“MEM”显示。本机可储存447个数据。
4、“设置”键
详细的设定请参照“功能介绍”中各种设定方式的说明。
5、“单位”键
按此键可执行计测单位的切换,可循环显示N(牛顿)、kg(公斤)、lb(磅)三种单位。在测试数据显示状态下, 也可完成同一数值的单位换算。 在HF10K以上规格中,与字母“K”组成“KN(千牛)”、“Kkg(吨)”、“Klb(千磅)”。
6、“峰值”键
每按此键一次会有“PEAK”显示、“AUTO PEAK”显示或“PEAK”消失的切换—亦即峰值保持、峰值保持自动解除、负荷实时值模式的切换。
7、“翻转”键
此键只在测试界面有效,当按下此键时,屏幕显示的测量值将翻转180度。
8、“查看”键
按此键时,存储的测试数据会依次被调出来显示于屏幕上,此时“MEM”字样闪烁——首先显示保存次数,2秒后自动显示保存数据。按“置零”键可返回测量界面。
9、“置零”键
按此键时,屏幕上的测试值会被归零。注:对仪器进行清零操作时,只能在实时测量模式下,在峰值,及自动峰值下无法对仪器进行清零操作。
※ 选用较轻的夹具或解除所加的负荷,再次清零。
※ 在“查看”界面,按住此键4秒钟,存储的测试数据可以全部清除(某些状态下可能无法清除,则关机后重新开机再执行此功能,即可清除全部保存数据)。
七、开机显示

八、功能介绍
1、设置功能
a、模式切换:开机完成显示后,按“设置”键,出现“TEST”,再按一次“设置”键,出现0001模式,用“
”键可选择不同模式。如下图所示:

0001 标准测试模式 0002推拉峰值模式
0003推力峰值模式 0004拉力峰值模式
0005外接节点断通模式 0006外接节点通断模式
0007第一峰值模式
0001 标准测试模式(出厂默认模式):此模式下可设置三种状态,即荷重实时值状态、峰值保持状态和自动峰值状态。当显示屏上没有“PEAK”字样时,为荷重实时值状态 , 测试值随荷重的变化而变化;按“峰值”键, 显示“PEAK”字样时, 为峰值保持状态,所显示的测试值为测试中的最大值(不论拉力和压力),需手动清零;再按一次“峰值”键,“AUTO PEAK”显示, 为自动峰值状态,所显示的测试值为测试中的最大值(不论拉力和压力), 且保持显示2秒钟后自动消失归零,即可进行下一次测试。
0002 推拉峰值模式:同时抓取压力和拉力两方向的最大荷重值之机能。连接器测试时,抓取插入力和拔出力的正负两方的最大荷重之机能。
0003 推力峰值模式——插拔测试时,只抓取插入压力的最大荷重之机能
0004 拉力峰值模式——插拔测试时,只抓取拔出拉力的最大荷重之机能。
0005 0006开关接点通断力测试摸式——精确测量接点通、断动作瞬间的荷重值。
0005 外接节点从断开到接通瞬间的最大力值。将被测的2个接点分别连接到数据接口的4、5脚上,按“峰值”键,选择峰值模式,通过推拉力计施加压力到开关上,直到开关接通。此时所测力值即为接通开关所需力值。
0006 外接节点从接通到断开瞬间的最大值。将被测的2个接点分别连接到数据接口的4、5脚上(利用附件里的数据插头),按“峰值”键,选择峰值模式,通过推拉力计施加压力到开关上,直到开关断开,此时所测力值即为断开开关所需力值。
0007 第一峰值模式:进入“第一峰值”模式后,仪器可记录一个时段内测量到的第一个波峰值。
b、各个设置项
开机状态下按下“设置”键,显示出来的是“TEST”,此时按下“
”键,可以查看设置选项。会依次出现“HIDT”、“LODT”、“STOP”、“LOSET”、“OFFT”、“PE.SET”、“GSET”、“BACSET”、“REF”、“DIR”、“SHIELD”、“USR.CAL”、“RESET”。
如下图所示:

(HIDT)测试值上限设定:设定测试值上限,上限值默认状态满量程的99%。高于上限为超出范围,“MAX”显示。若想重新设定上限值,可用“
”键和“
”键设定。“保存”后回到设定项目界面。如下图所示:

(LODT)测试值下限设定:设定测试值下限,下限值默认为0。低于下限为超出范围,“MIN”显示。若想重新设定下限值,与上步操作大同小异,用“
”键和“
”键设定。“保存”后回到设定项目界面。
(STOP) 机台停止值设定,默认状态为满量程的99%。针对我们自身电动机台这款产品结合使用。当测试值超过设定的机台停止值时,此仪器输出一个5V信号,机台接收信号。
此功能操作方法:
a、先将此仪器设置机台停止值:设定方法:开机,待显示测量界面时,按“设置”键进入机台停止值设定(显示
(STOP)后,将其数值设成预设值。
b、此仪器右侧面有信号输出插孔(详见上文的“外形结构图”),将信号输出线一头插入此插孔(插座),另一头插入本公司生产的电动测试台上标示为信号输入的插孔(插座)(此信号输出线为电动测试台的标配件)。
c、启动本公司生产的电动测试台,就可在测试力超过机台停止值时,实现电动机自动停止运转的功能。
(LOSET)峰值最小保存值:最小峰值保存值,峰值模式下,当前值小于该值时,峰值将不被保存。
(OFFT)自动关机时间设定:在此设置项目下,用“
”键选择,可设定10分钟到90分钟自动关机,也可设定“00”不自动关机。如选不自动关机,选定后按“保存”键完成设定。即返回到选项界面。仪器默认设置为10分钟。
(PE.SET)自动峰值保存时间:自动峰值保存时间,单位为秒,默认值是10,设置不能将这个值设置成0。
(G.SET) 重力加速度设定:用户可根据本地区的位置设定重力加速度值,默认值为9.800。
(BACSET)背光功能设定:在此设置项目下,用“
”键选择,若选择“
(YES)”表示开启背光功能,选择“
(NO)”表示关闭背光,选定后按“保存”键保存并返回到设置项目界面。
(REF)传感器参考值:厂家参考值,用户无需关注。
(dIr) 正负推拉方向:用于切换推拉力计正负方向。
(SHIELD)取消屏蔽:屏蔽取消可显示满量程1%以下的数据。按“YES”为不取消,按“NO”为取消。
(USR.CAl)用户标定:在此设置项目下,用户可选择 “1”(满量程标定)、“2”(满量程的1/2标定)、“4”(满量程的1/4标定)、“8”(满量程的1/8标定)、“16”(满量程的1/16标定)。
(RESET)恢复出厂设置功能:在此设置项目下,按“设置”键即可恢复出厂设置,机器关机。若使用机器重新开机即可。
九、测试
按“开机”键 打开电源,根据需要使用出厂默认设置直接进行测试或按 设置 键选择测试模式后进行测试。
1、选择合适的测试用接头夹具安装到推拉力计上(自制夹具请参考“外形及安装尺寸图”中相关数据。
2、请牢固的握住推拉力计或将推拉力计安装于合适的测试机台上进行测试,试时请使被测试力和推拉力计的推拉杆成一直线,以便测得准确的荷重值。
3、测试完成后,卸下负荷,关闭电源,取下夹具,将各物件清洁后放回工具盒内,以备下次使用。

十、储存数据及连接电脑使用介绍
1、储存数据
按“保存”键数据会被储存起来,保存的值是当前屏幕显示的值,显示屏上会有“MEM”字样显示,储存的数据在关机后也可保存。用“查看”键查看保存资料时,“MEM ”闪烁,先出现保存次数,2秒后自动出现保存数值。按“置零”键可退出保存直接进入测试。也可将数据输入电脑作分析处理。本机可储存447个数据。当超过447个数据时,之后的数据将不会被保存。
2、数据清除
在查看界面时,按“置零”键四秒以上,全部的保存数据会被清除掉,“MEM”字样消失。
3、连接电脑使用介绍
a、使用光盘内的《数据导出程序》将仪器中所保存的数据导出至电脑。 查看、打印、测试次数、平均值、最大值、最小值以及判别测试结果是否符合设定要求。(详见可参考《数据导出程序》里的说明)
b、使用光盘内的《同步测试》实现力值和时间的曲线图。(详见可参考《同步测试》里的说明)
4、如与PLC连接,需定制modbus协议。
十一、安全注意事项
1、 注意事项:
a、 购此仪器,若仪器电量不足需先充电4~6个小时,方可进行正常使用。
b、 购此仪器,必须使用本公司配发附件内的RS232电脑连接线。
c、 如果操作错误,可能会损坏本仪器或导致严重的事故。本说明书中指出了预防事故发生的重要事项和仪器的使用方法,请在使用前仔细阅读此说明书,阅读后妥善保存,以备在此阅读。
d、 如果是测试冲击负荷请选用最大负荷比索要测试的冲击负荷大一倍的机型。
2、 警告事项:
a、在破坏性测试时,应戴上保护面具和手套以防测试过程中发生的飞溅物质伤及人体。
b、不要使用已损坏或严重弯曲变形的夹具。自制夹具请参阅本说明书中相关的参数(本公司另备有各类夹具,客户可根据需要;另行选购)。
C、不要超出最大量程来使用本仪器。否则可能导致传感器损坏,甚至发生事故。
d、当测试值超过满量程的100%时,蜂鸣器会连续鸣叫,此时请快速解除所加之负荷,或降低负荷,当测试值超过满量程的120%时,仪器可能会损坏。
3、解决死机状态:当仪器意外死机时,用硬物小圆杆按仪器的左侧有个标示为“复位”键快速复位关机即可。
4、安全事项:
a、请使用配套的充电器充电,否则会引起电路故障,甚至引发火灾。
b、不要使用充电器额定电压以外的电源,否则可能会引起电击或火灾。
c、不要用湿手拔出或插入电源,否则可能导致触电。
d、不要拉拽充电器的电源线来拔出插头,以免电线被扯断而遭电击。
e、请用柔软的布来清洁本机。将布浸入泡有清洁剂的水中,拧干后再清除灰尘和污垢。注意:不要使用易挥发的化学物质来清洁本机(如挥发剂、稀释剂、酒精等)。
f、请勿在以下环境中操作本机
①潮湿的环境 ②多尘的环境 ③使用油或化学品的地方 ④周围有震源的地方
g、请在规定的温湿度范围内使用及储存,否则可能造成仪器故障。
h、不要自行拆卸修理或改造本机,这些行为可能引起仪器永久性故障。
i、其他安全生产需注意的未尽事项。
J、HF系列推拉力计送修前之确认项目
|
电源 |
症状 |
原因或现象 |
处置 |
|
按“开机”键无显示 |
电池无电 |
重新充电 |
|
|
无法充电 |
充电使用规格不符之转换器 |
请确认: AC110V AC220V |
|
|
充电指示灯不亮 |
电池电量过低,需要一个唤醒的充电时间 |
在指示灯不亮的情况下先充半小时的电,若仪器正常指示灯会重新亮起 |
|
|
测试值 |
测试值不准确 |
误差过大 |
需返厂校正 |
|
其他 |
意外死机 |
按任何键无反应 |
用针按下“复位”键 |
十二、数据接口(9PIN)

|
引 脚 |
功 能 |
|
PIN4 PIN5 |
接点信号 |
|
PIN2 PIN3 PIN5 |
Rs232接口至电脑 |
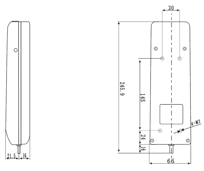
十三、外形及安装尺寸图

十四、随机附件明细表
|
|
充电器 |
压缩夹具 |
拉伸夹具 |
加长杆 |
安装螺钉 |
说明书 |
检查证明书 |
合格证 |
|
-2 |
1 |
4 |
1 |
1 |
4 |
1 |
1 |
1 |
|
-3 |
1 |
4 |
1 |
1 |
4 |
1 |
1 |
1 |
|
-5 |
1 |
4 |
1 |
1 |
4 |
1 |
1 |
1 |
|
-10 |
1 |
4 |
1 |
1 |
4 |
1 |
1 |
1 |
|
-20 |
1 |
4 |
1 |
1 |
4 |
1 |
1 |
1 |
|
-30 |
1 |
4 |
1 |
1 |
4 |
1 |
1 |
1 |
|
-50 |
1 |
4 |
1 |
1 |
4 |
1 |
1 |
1 |
|
-100 |
1 |
4 |
1 |
1 |
4 |
1 |
1 |
1 |
|
-200 |
1 |
4 |
1 |
1 |
4 |
1 |
1 |
1 |
|
-300 |
1 |
4 |
1 |
1 |
4 |
1 |
1 |
1 |
|
-500 |
1 |
4 |
1 |
1 |
4 |
1 |
1 |
1 |
|
-1000(内置) |
1 |
4 |
1 |
1 |
4 |
1 |
1 |
1 |
|
-1000(外置) |
1 |
3 |
2 |
- |
4 |
1 |
1 |
1 |
|
-2000 |
1 |
3 |
2 |
- |
4 |
1 |
1 |
1 |
|
-3000 |
1 |
3 |
2 |
- |
4 |
1 |
1 |
1 |
|
-5000 |
1 |
3 |
2 |
- |
4 |
1 |
1 |
1 |
|
-10K |
1 |
3 |
2 |
- |
4 |
1 |
1 |
1 |
|
-20K |
1 |
3 |
2 |
- |
4 |
1 |
1 |
1 |
|
-30K |
1 |
3 |
2 |
- |
4 |
1 |
1 |
1 |
|
-50K |
1 |
3 |
2 |
- |
4 |
1 |
1 |
1 |
|
-100K |
1 |
3 |
2 |
- |
4 |
1 |
1 |
1 |
|
-200K |
1 |
3 |
2 |
- |
4 |
1 |
1 |
1 |
|
-300K |
1 |
- |
- |
- |
4 |
1 |
1 |
1 |
|
-500K |
1 |
- |
- |
- |
4 |
1 |
1 |
1 |
|
-1000K |
1 |
- |
- |
- |
4 |
1 |
1 |
1 |
|
-2000K |
1 |
- |
- |
- |
4 |
1 |
1 |
1 |
备注:电脑连线及软件是选配件