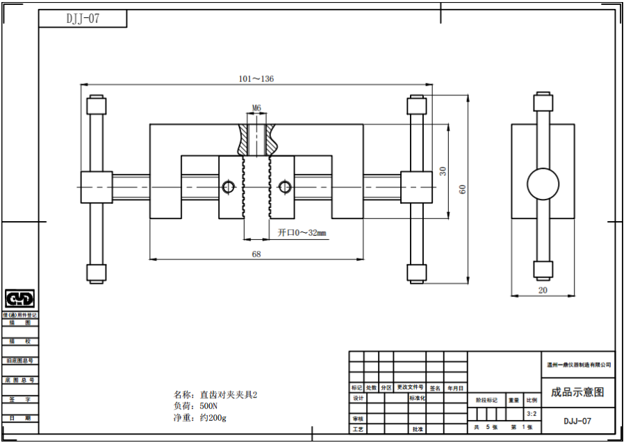
直齿对夹夹具

现在联系
直齿对夹夹具
反馈